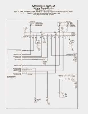
1997 Buick Lesabre No Start
"GM Body Control Module Corrosion Dewitz Diagnostic , Buick LeSabre BCM Wire Diagram Dewitz Diagnostic , Wiring Diagrams and Free Manual Ebooks: 1997 Buick Park , No Start No Fuel Pump 1997 Oldmobile Bravada 4 3 , 1997 buick Most of the time it well start up at the frist , 1997 Buick Lesabre Phantom Stalling Need Diagram For, new_4t60e_wire_diagram_big, 1989 Buick Lesabre Disconnecting Horn: 1989 Buick Lesabre , 97_sebring_spark_big, 97_sebring_distributor_big Dewitz Diagnostic Solutions , How do you bybass security system, 1989 Oldsmobile Cutlass How to Replace Thermostat: I Need , 2003_tahoe_idle_big Dewitz Diagnostic Solutions , 1997 Pontiac Transport others thermostat replacement , Intermittent Electrical Issue 2004 Chevrolet Trailblazer , CARQUEST Part Information, 1997 2001 Toyota Camry Steering Wheel Center Airbag Cover "
















