1981 Chrysler K Car
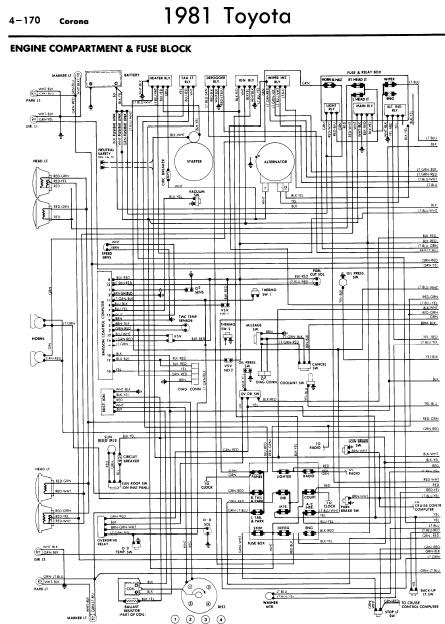
"Remembering the K Car: Chrysler's Savior Gets No Respect , No Termites: 1981 Chrysler LeBaron Town Country, 1981 Dodge Aries K Commercial YouTube, 1985 Chrysler K Car Limousine and Exceutive Sedan, my 1981 Plymouth Reliant K, Talbot Wikipedia, The Chrysler K Car Club View topic fresh pictures of , Dodge Charger Wikipedia, Vintage Car Advertisements of the 1980s Page 28 , 87 PLYMOUTH RELIANT 4 DOOR Many Parts ! eBay, repair manuals: Toyota Corona 1981 Wiring Diagrams, 10 Memorable Music Band Names Inspired By Cars The News , Chrysler of Canada the history and the cars, Dodge related emblems Cartype, Image, FERRARI 308 GTSi specs autoevolution, LIBRI DA COLLEZIONE Libreria dell'Automobile"
Best Post
Popular Post
✔ 2003 chrysler town and country limited for sale
✔ 2017 cadillac ats turbo
✔ Used chevrolet spark
✔ 2016 bmw m3 instrument cluster
✔ 2019 cadillac escalade lift kit
✔ Chevrolet camaro ss accessories
✔ 2006 buick rendezvous v6 oil capacity
✔ 2015 chevrolet impala models
✔ Bmw e36 for sale qld
✔ 2012 chrysler 300 srt8 specifications
✔ Bob moore cadillac tulsa ok
✔ Bmw x 7 reliability
✔ 2019 chevrolet traverse awd 4dr lt leather w or 3lt
✔ Classic buick gmc mentor avenue painesville oh















